4-Link Instructions
 

PLEASE READ THESE INSTRUCTIONS BEFORE INSTALLING YOUR 4-LINK KIT

 
We recommend that you box your frame from the front crossmember to the firewall. If this can't be done, box a section that extends at least 4 inches on either side of the 4-link frame bracket Once the frame is boxed, tack weld or clamp driver side frame bracket (bracket with steering plate if Mustang type steering is being used) to bottom edge of frame, flush with side of frame at position indicated by the print at right which applies to your car Repeat procedure for passenger side bracket To locate hole for top bar on '32- '34's, use measurement shown on print at right. Bore or hole saw a 7/8" hole in frame (NOTE.- ECONO KITS NEED A 3/4" HOLE) and weld in frame bushing. Bolt bars to brackets and upper mounting hole in frame with adjustable ends toward front, with front end partially assembled. Check front end for square before final welding. After welding, finish grind weld on side of frame for clean appearance.

 

 

D. C. SERIES KITS

  D. C. series axle brackets utilize slip-in tapered buttons to accept spring perch. These buttons are simply slipped into place as shown when installing the bracket onto the axle. The top button has a milled relief on one side to clear the weld on the bracket Be sure to position this button correctly to insure that it seats flat when installed.
 

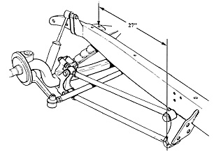
'28-'31 Model 'A'

Measure 27 inches back from center of radiator mounting hole along top of frame rail to a point on frame 90 degrees from bottom hole in 4-link bracket.

 

 

 


'32 FORD

To locate frame bracket, measure 23-3/8" back from center of radiator mounting hole along top of frame rail to a point on frame 90 degrees from bottom hole in 4-link bracket. Center of hole for top bar is located 4-7/8" above and 1/4" behind center of bottom hole. Bore or hole saw 7/8" hole in frame (NOTE.- ECONO KITS NEED A 3/4" HOLE) and weld in frame bushing.

 

 

   
On High-Boy installations use 30-3/4" instead of 23-3/8"

'33-'34 FORD

To locate frame bracket, measure 24-1/2" back from lower fender brace hole on frame (straight) to mounting hole in frame bracket Upper hole is located 4-7/8" above lower hole and 24" back from lower fender brace hole on frame. Bore or hole saw 7/8" hole (NOTE.- ECONO KITS NEED 3/4" HOLE) in frame and weld in frame bushing.

 

 

On High-Boy installations use 31-3/8" instead Of 24" and 31-5/8" instead Of 24-1/2".

 

|  Search | Illustrated Installation Guides  |  E-mail Us |

   

 

800-979-4278